Kysymyksiä sähkömiehille

Väittäsin, että omat adaxit on suojamaadoitettu alakerrassa. Meinasin nimittäin juuri vaihtaa yläkerran ainoan patterin ylimääräiseen adaxiin, mutta jäi tekemättä kun suojamaata ei vanhan patterin taakse tullutkaan

Edit: kuva kytkentärasiasta
IMG_20210202_215706.jpg
Ainakin päätellen taloon.com -verkkokaupan tiedoista ja vastauksista asiakkaiden kysymyksiin Adax Neo -nimisiä pattereita on sekä suojamaadoitettuja että maadoittamattomia kaksoiseristettyjä. Päättelin, että Neo Wifi-mallit olisivat jälkimmäisiä. Adax Cleasta en vielä päässyt selvyyteen, oletin että ne olisivat kaikki kaksoiseristettyjä. Omassa tapauksessa etsin joka tapauksessa mieluiten tuota wifi-versiota vastaavia ja ne vissiin Adaxilla ovat kaikki II. Ainakin katsomani mallit.
 
Ilmeisesti Neo -mallisarjassa sitten on tosiaan molempia toteutuksia. Kuva Adaxin omilta sivuilta ladatusta asennusohjeesta Neolle.
 

Liitteet

  • Screenshot_20210203-091044.jpg
    Screenshot_20210203-091044.jpg
    54,8 KB · Luettu: 122
Onko täällä sähkömiehillä tullut vastaan moottorinsuojakytkimiä, joiden kytkinnapit tulee sen verran "korkealle", ettei ryhmäkeskuksen luukku sovi kiinni ilman että se laukaisee kytkimen ja oletteko keksineet tälle jotain järkevää ratkaisua? Meillä on porakaivopumpulla kuvanmukainen SMS-16 -moottorinsuojakytkin, joka tulee ryhmäkeskukseen asennettuna sen verran ulos, että keskuksen oven kiinni laittaessa ovi napsauttaa kytkimen stop-nappia ja kytkin menee off-tilaan. Keskuksen ovi on ollut meillä nyt vaan raollaan tämän takia, yksi vaihtoehto olisi tietysti vaihtaa tuo kytkin, mutta ei viitsisi muuten toimivaa alkaa vaihtelemaan. Kaveri oli porannut napin kohtaan reiän keskuksen oveen, mutta se houkuttelee vielä vähemmän :D

SMS_16_moottorinsuojakytkin_DIN_10-16_A_GE_120011_SFK0K_3720133_ml (1).jpg
 
Onko täällä sähkömiehillä tullut vastaan moottorinsuojakytkimiä, joiden kytkinnapit tulee sen verran "korkealle", ettei ryhmäkeskuksen luukku sovi kiinni ilman että se laukaisee kytkimen ja oletteko keksineet tälle jotain järkevää ratkaisua? Meillä on porakaivopumpulla kuvanmukainen SMS-16 -moottorinsuojakytkin, joka tulee ryhmäkeskukseen asennettuna sen verran ulos, että keskuksen oven kiinni laittaessa ovi napsauttaa kytkimen stop-nappia ja kytkin menee off-tilaan. Keskuksen ovi on ollut meillä nyt vaan raollaan tämän takia, yksi vaihtoehto olisi tietysti vaihtaa tuo kytkin, mutta ei viitsisi muuten toimivaa alkaa vaihtelemaan. Kaveri oli porannut napin kohtaan reiän keskuksen oveen, mutta se houkuttelee vielä vähemmän :D

SMS_16_moottorinsuojakytkin_DIN_10-16_A_GE_120011_SFK0K_3720133_ml (1).jpg
Kuulapäävasaralla lommo oveen ulospäin?

Voihan sinne tietysti myös patentoida siihen dinkiskoon jonkun systeemin jolla siirtää sitä syvemmälle - olettaen että siellä on tilaa, eikä se aiheuta sitä että jokin toinen koje jää sen jälkeen liian syvälle.
 
Onko täällä sähkömiehillä tullut vastaan moottorinsuojakytkimiä, joiden kytkinnapit tulee sen verran "korkealle", ettei ryhmäkeskuksen luukku sovi kiinni ilman että se laukaisee kytkimen ja oletteko keksineet tälle jotain järkevää ratkaisua? Meillä on porakaivopumpulla kuvanmukainen SMS-16 -moottorinsuojakytkin, joka tulee ryhmäkeskukseen asennettuna sen verran ulos, että keskuksen oven kiinni laittaessa ovi napsauttaa kytkimen stop-nappia ja kytkin menee off-tilaan. Keskuksen ovi on ollut meillä nyt vaan raollaan tämän takia, yksi vaihtoehto olisi tietysti vaihtaa tuo kytkin, mutta ei viitsisi muuten toimivaa alkaa vaihtelemaan. Kaveri oli porannut napin kohtaan reiän keskuksen oveen, mutta se houkuttelee vielä vähemmän :D

SMS_16_moottorinsuojakytkin_DIN_10-16_A_GE_120011_SFK0K_3720133_ml (1).jpg
Joidenkin valmistajien keskuksiin on saaavilla korokekauluksia.
 
Onko täällä sähkömiehillä tullut vastaan moottorinsuojakytkimiä, joiden kytkinnapit tulee sen verran "korkealle", ettei ryhmäkeskuksen luukku sovi kiinni ilman että se laukaisee kytkimen ja oletteko keksineet tälle jotain järkevää ratkaisua? Meillä on porakaivopumpulla kuvanmukainen SMS-16 -moottorinsuojakytkin, joka tulee ryhmäkeskukseen asennettuna sen verran ulos, että keskuksen oven kiinni laittaessa ovi napsauttaa kytkimen stop-nappia ja kytkin menee off-tilaan. Keskuksen ovi on ollut meillä nyt vaan raollaan tämän takia, yksi vaihtoehto olisi tietysti vaihtaa tuo kytkin, mutta ei viitsisi muuten toimivaa alkaa vaihtelemaan. Kaveri oli porannut napin kohtaan reiän keskuksen oveen, mutta se houkuttelee vielä vähemmän :D

SMS_16_moottorinsuojakytkin_DIN_10-16_A_GE_120011_SFK0K_3720133_ml (1).jpg
Oven korottaminen fiksuinta. Onnistuu esim valkoisella puulistalla kiertää keskuksen reunat ja siihen ovi kiinni.
 
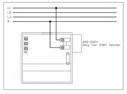
Nyt lyö aivot tyhjää. Asentajan koulutus on, mutta en ole asuntopuolella tehnyt muuta kuin työharjoittelut ja kunnossapitotyössä tällaisia ei tule vastaan. Eikö tuonne "kuorman" puolelle pitäisi tulla nollajohdinkin? Yksi valkoinen kaapeli on kytkentärasiassa katkaistuna, eli sekään ei ole sitä virkaa toimittanut.

IMG-20210205-WA0011.jpeg
 
Nyt lyö aivot tyhjää. Asentajan koulutus on, mutta en ole asuntopuolella tehnyt muuta kuin työharjoittelut ja kunnossapitotyössä tällaisia ei tule vastaan. Eikö tuonne "kuorman" puolelle pitäisi tulla nollajohdinkin? Yksi valkoinen kaapeli on kytkentärasiassa katkaistuna, eli sekään ei ole sitä virkaa toimittanut.

Kyllähän siellä pitäisi olla kytketty virtapiiri:

1612533615179.png
 
Kyllähän siellä pitäisi olla kytketty virtapiiri:

1612533615179.png
Tämä pitää paikkansa, jos lähdetään termarilta suoraan vastukselle. Kysyjän kuvan ja kertoman perusteella rasialle tulee ilmeisesti kuitenkin 5x mmj. Vastus lienee siis kytketty muualla ja ainoastaan vaihe on kierrätetty termarin kautta.
 
Nyt lyö aivot tyhjää. Asentajan koulutus on, mutta en ole asuntopuolella tehnyt muuta kuin työharjoittelut ja kunnossapitotyössä tällaisia ei tule vastaan. Eikö tuonne "kuorman" puolelle pitäisi tulla nollajohdinkin? Yksi valkoinen kaapeli on kytkentärasiassa katkaistuna, eli sekään ei ole sitä virkaa toimittanut.

IMG-20210205-WA0011.jpeg

Eihän sen valkoisen johtimen kuorittu kupariosa ole termostaatin N-liittimessä? Ei olisi ensimmäinen kun kojetta vedetään ulos ja johdin katkeaa liittimen sisään, jos on, niin pistä hieman sinistä teippiä valkoiseen ihan tulevaisuuden varalta. Pahin skenaario on tietysti, että tuota keviä käytetty nollana...
 
Tämä pitää paikkansa, jos lähdetään termarilta suoraan vastukselle. Kysyjän kuvan ja kertoman perusteella rasialle tulee ilmeisesti kuitenkin 5x mmj. Vastus lienee siis kytketty muualla ja ainoastaan vaihe on kierrätetty termarin kautta.
Tätä itsekin aloin miettimään, eihän tuonne rasiaankaan tosiaan tule muuta kuin tuo 5-karvainen mmj, eli ei sitä kuormaa ole kytketty tuolla rasialla. Pitää varmaan kaivaa kuvat esiin, josko sieltä löytyisi vastaus. Ilmeisesti uuden termostaatin voisi kytkeä samanlailla kuin vanhakin on kytketty?
Eihän sen valkoisen johtimen kuorittu kupariosa ole termostaatin N-liittimessä? Ei olisi ensimmäinen kun kojetta vedetään ulos ja johdin katkeaa liittimen sisään, jos on, niin pistä hieman sinistä teippiä valkoiseen ihan tulevaisuuden varalta. Pahin skenaario on tietysti, että tuota keviä käytetty nollana...
Ei ole katkennut, niin nätisti on haitarilla aivan vastakkaisessa reunassa rasiaa (ja katsoin myös liittimen). Maadoitusjohdin menee maadoitusliittimeen.

Edit: Olohuone ja keittiö on omilla lämmityskaapeleillaan. Mahdollistaako tuo "kierrättäminen" kahden eri lämmitysryhmän ohjaamisen yhdellä termarilla? Olohuoneelle ei siis ole termostaattia missään. Olohuone on L1 takana ja keittiö L2 takana, molemmissa on 2,1kW lämmityskaapeli.

Edit2: Kärsimättömänä kaverina käytin väliseinän jakorasiaa auki ja siellähän näkyisi olevan kaksi lattialämmityksen kytkentäkaapelia. Ja rasia on juuri keittiön ja olohuoneen rajalla. Eli ilmeisesti termarilla ohjataan keittiön ja olohuoneen lämmitystä (näin olen ajatellut siitä asti kun talo ostettiin) ja kytkentä on suoritettu tuolla rasialla.
 
Viimeksi muokattu:
Pesuhuoneeseen johtavaan pukuhuoneeseen remontoin seinää. Seinä nyt maalattua kipsilevyä. Koolaukset + paneelit tulee päälle. Samalla seinällä on normaali pistorasia. Voiko tästä rasiasta haarotta sähkön led-nauhaa varten uuden paneeliseinän valaistukseen? Miten? Wago-liittimillä? Johdon saisi nätisti kulkemaan koolausten välissä. Pistorasian korotan kororusrenkailla oikeaan tasoontasoon

Edit. Talo rakennettu 2016.eli mmj 3x2, 5 pihotukset löytyy.
 
Pesuhuoneeseen johtavaan pukuhuoneeseen remontoin seinää. Seinä nyt maalattua kipsilevyä. Koolaukset + paneelit tulee päälle. Samalla seinällä on normaali pistorasia. Voiko tästä rasiasta haarotta sähkön led-nauhaa varten uuden paneeliseinän valaistukseen? Miten? Wago-liittimillä? Johdon saisi nätisti kulkemaan koolausten välissä. Pistorasian korotan kororusrenkailla oikeaan tasoontasoon

Edit. Talo rakennettu 2016.eli mmj 3x2, 5 pihotukset löytyy.

Onko tuon rasian takana kojerasia? Jos upporasia niin kyllä. Silloin kannattaa porailla kipsilevyyn (joka jää piiloon) yläpuolelle reikä, ujuttaa sieltä kojerasiaan tuo haluttu johto (vedonpoistonysä) ja sitten vetää sen haluttuun paikkaan.

Kaksi asiaa: miksi hemmetissä teet noin uuteen kipsin päälle koolauksia? Miksi teet ylipäätään kipsin päälle mitään? Ja eikö paras olisi, että ne valot saa myös pois päältä (katkaisija)? Olikin kolme asiaa. Meinasitko siis korotusrenkaita laittaa sen 10kpl päällekäin, jotta saat tuon pistorasian uuden koolauksen/levyn korkeudelle, vai mitä minä en tässä ymmärrä?

EDIT: eikä se rakennusvuosi kerro johdotuksesta mitään, pistorasia voi hyvin olla myös 10a sulakkeen takana ja näin ollen 3x 1,5mm2 piuhalla.
 
Onko tuon rasian takana kojerasia? Jos upporasia niin kyllä. Silloin kannattaa porailla kipsilevyyn (joka jää piiloon) yläpuolelle reikä, ujuttaa sieltä kojerasiaan tuo haluttu johto (vedonpoistonysä) ja sitten vetää sen haluttuun paikkaan.

Kaksi asiaa: miksi hemmetissä teet noin uuteen kipsin päälle koolauksia? Miksi teet ylipäätään kipsin päälle mitään? Ja eikö paras olisi, että ne valot saa myös pois päältä (katkaisija)? Olikin kolme asiaa. Meinasitko siis korotusrenkaita laittaa sen 10kpl päällekäin, jotta saat tuon pistorasian uuden koolauksen/levyn korkeudelle, vai mitä minä en tässä ymmärrä?

EDIT: eikä se rakennusvuosi kerro johdotuksesta mitään, pistorasia voi hyvin olla myös 10a sulakkeen takana ja näin ollen 3x 1,5mm2 piuhalla.

OK. Huonosti aseteltu kysymys.

Upporasia tietenkin on. Teen kipsilevyyn koolaukset, koska i) puolikostea tila (tuuletusrako) sekä ii) paneelit vaativat 30 cm koolausvälin ettei jää rumasti "pullottamaan". Tuo väliseinä, kuten yleensäkin, on tehty K600-jaolla. Koolauksena 22x50 rima. Paneelin paksuus 15 mm. Eli n. 37 mm pitää kojerasiaa korottaa. Tein jo korotuksen kolmella 13 mm korotusrenkaalla. Hyvä tuli.

Uuden johdon väliin ajattelin asentaa kytkimen ja kytkimen sijoitus nätisti uudelle paneeliseinälle

edit. ja se miksi teen kipsilevyn päälle paneeliseinän on puhtaasti makuasia
 
Viimeksi muokattu:
OK. Huonosti aseteltu kysymys.

Upporasia tietenkin on. Teen kipsilevyyn koolaukset, koska i) puolikostea tila (tuuletusrako) sekä ii) paneelit vaativat 30 cm koolausvälin ettei jää rumasti "pullottamaan". Tuo väliseinä, kuten yleensäkin, on tehty K600-jaolla. Koolauksena 22x50 rima. Paneelin paksuus 15 mm. Eli n. 37 mm pitää kojerasiaa korottaa. Tein jo korotuksen kolmella 13 mm korotusrenkaalla. Hyvä tuli.

Uuden johdon väliin ajattelin asentaa kytkimen ja kytkimen sijoitus nätisti uudelle paneeliseinälle

edit. ja se miksi teen kipsilevyn päälle paneeliseinän on puhtaasti makuasia

Siellä kipsin alla on koolaus. Laittaisin siihen tarvittaessa lisäkoolauksia? Taitaa tosin olla villat ja höyrynsulku (höyrynsulku uusittava)

Kyllä mun käsitys on että k600 riittää paneelille hyvin? Toki jos olet tämän itse todennut/varmistanut niin en väitä vastaankaan.

Mutta aiemmin kertomani kipsiin reikä ja kojerasiaan johto ja vedonpoistonysä. Onko tiedossa missä johto kulkee? (Ettet tee reikää sille puolelle)

Riippuen siitä kojerasian kiinnityksestä saattaa vaatia sen irroituksen, jotta saat nysän paikalleen. Onhan tuo vähän virityksen kuuloinen.

Toisaalta remonttirasiakin voisi toimia? En vaan tiedä saako siihen noin montaa korotusrengasta?
 
Maalliko saa asentaa ei-kiinteitä valaisimia. Missä menee raja, onko esim. ruuveilla kattoon kiinnitetty valaisin kiinteä?
Verkkovirtaan asennetut palovaroittimet pitäisi vaihtaa, koska tulee vuodet täyteen. Näitä ei taida maallikko saada vaihtaa?
Sähkäriä on hakala saada tuollaiselle pienelle keikalle, jonka hoitaa 15 min.
 
Siellä kipsin alla on koolaus. Laittaisin siihen tarvittaessa lisäkoolauksia? Taitaa tosin olla villat ja höyrynsulku (höyrynsulku uusittava)

Kyllä mun käsitys on että k600 riittää paneelille hyvin? Toki jos olet tämän itse todennut/varmistanut niin en väitä vastaankaan.

Mutta aiemmin kertomani kipsiin reikä ja kojerasiaan johto ja vedonpoistonysä. Onko tiedossa missä johto kulkee? (Ettet tee reikää sille puolelle)

Riippuen siitä kojerasian kiinnityksestä saattaa vaatia sen irroituksen, jotta saat nysän paikalleen. Onhan tuo vähän virityksen kuuloinen.

Toisaalta remonttirasiakin voisi toimia? En vaan tiedä saako siihen noin montaa korotusrengasta?


Väliseinän runkopuihin tosiaan tulee koolaukset (kantavat, tosin ei paneeli paljoa paina). Jouduin myös laittamaan levyjen väliin ylimääräiset (kipsilevyankkurit) koolingit. Väliseinissä ei onneksi ole höyrynsulkua, niin ei tarvitse sitä pelätä. Rasian piuhat myös vedetty väliseinätolpan reunaa pitkin, niin melko huolettomasti sain urakoida.

Kiitokset vastauksesta
 
OK. Huonosti aseteltu kysymys.

Upporasia tietenkin on. Teen kipsilevyyn koolaukset, koska i) puolikostea tila (tuuletusrako) sekä ii) paneelit vaativat 30 cm koolausvälin ettei jää rumasti "pullottamaan". Tuo väliseinä, kuten yleensäkin, on tehty K600-jaolla. Koolauksena 22x50 rima. Paneelin paksuus 15 mm. Eli n. 37 mm pitää kojerasiaa korottaa. Tein jo korotuksen kolmella 13 mm korotusrenkaalla. Hyvä tuli.

Uuden johdon väliin ajattelin asentaa kytkimen ja kytkimen sijoitus nätisti uudelle paneeliseinälle

edit. ja se miksi teen kipsilevyn päälle paneeliseinän on puhtaasti makuasia

Ihan oikein tuo sun rakenne menee, ei sitä puupaneelia siihen kipsilevyyn suoraan saa laittaa, vaikkei se kuivassa tilassa todennäköisesti mitään oneglmaa aiheuttaisikaan.

Pistorasialta voi haaroittaa valaisimelle sähkön, joko wagoilla, tai suoraan pistorasian omalta liittimeltä, jos tilaa on. Jonkinlainen vedonpoistin siihen on syytä askarrella, ettei sitä säätäessä vahigossa saa nykäistyä ulos sieltä pistorasian purkilta.

Maalliko saa asentaa ei-kiinteitä valaisimia. Missä menee raja, onko esim. ruuveilla kattoon kiinnitetty valaisin kiinteä?
Verkkovirtaan asennetut palovaroittimet pitäisi vaihtaa, koska tulee vuodet täyteen. Näitä ei taida maallikko saada vaihtaa?
Sähkäriä on hakala saada tuollaiselle pienelle keikalle, jonka hoitaa 15 min.

Käytännössä tuota pykälää on mielestäni tulkittu niin että myös ne valaisimet jotka asennetaan suoraan jakorasian ruuveihin katsotaan mallikko asennettaviksi, mutta varmasti löytyy myös vastakkainen näkemys.

Ne 10 vuotta vanhat palovaroittimet kannattaa pyrkiä vaihtamaan ensisijaisesti samanlaisiin/saman valmistajan korvaaviin tjsp.. Se vaihtotyö on todella helppo ja nopea kun se varoitin on samanlainen kuin ennen. Kun vaihtaa ne, niin laittaa niihin samalla sen 10v litium varakäyntipatterin, ei tarvii vuosittain olla räpläämässä niitä. Jos varoitin vaihtuu, sen uuden on syytä olla sitten myös halkaisijaltaan isompi, 10 vuoden aikana se varoitin on merkannut paikkansa kattoon. Ja nuo varoittimet ei ole mitään maallikon vaihdettavaan valaisimeen verrattavia osia.
 
Tätä itsekin aloin miettimään, eihän tuonne rasiaankaan tosiaan tule muuta kuin tuo 5-karvainen mmj, eli ei sitä kuormaa ole kytketty tuolla rasialla. Pitää varmaan kaivaa kuvat esiin, josko sieltä löytyisi vastaus. Ilmeisesti uuden termostaatin voisi kytkeä samanlailla kuin vanhakin on kytketty?

Edit: Olohuone ja keittiö on omilla lämmityskaapeleillaan. Mahdollistaako tuo "kierrättäminen" kahden eri lämmitysryhmän ohjaamisen yhdellä termarilla? Olohuoneelle ei siis ole termostaattia missään. Olohuone on L1 takana ja keittiö L2 takana, molemmissa on 2,1kW lämmityskaapeli.

Edit2: Kärsimättömänä kaverina käytin väliseinän jakorasiaa auki ja siellähän näkyisi olevan kaksi lattialämmityksen kytkentäkaapelia. Ja rasia on juuri keittiön ja olohuoneen rajalla. Eli ilmeisesti termarilla ohjataan keittiön ja olohuoneen lämmitystä (näin olen ajatellut siitä asti kun talo ostettiin) ja kytkentä on suoritettu tuolla rasialla.
Ihan odotetun kaltainen ratkaisu sieltä siis löytyi. Eli mikään ei estä korvaamasta vanhaa uudella aivan samaan tapaan. Ja yhdellä termarilla tosiaan silloin ohjataan.

Mutta tuo 2,1kW otti kyllä pahasti silmään. Oletko aivan varma molemmissa tiloissa olevan noin tehokas kaapeli? Tuossa ollaan jo 16A suojan / sulakkeen osalta todella kovilla ja termarin releen osalta mennään yli speksatun oikein huolella. Eli noilla tehoilla tulisi kyllä olla kontaktori välissä, sille ohjaus termarilta ja molempien tilojen lämmitykselle oma suojansa.
Oletko varma noista tehoista? Jos olet, pitää minimissään se korvaava termari olla järeämpi kuin alkuperäinen.
 
Ihan odotetun kaltainen ratkaisu sieltä siis löytyi. Eli mikään ei estä korvaamasta vanhaa uudella aivan samaan tapaan. Ja yhdellä termarilla tosiaan silloin ohjataan.

Mutta tuo 2,1kW otti kyllä pahasti silmään. Oletko aivan varma molemmissa tiloissa olevan noin tehokas kaapeli? Tuossa ollaan jo 16A suojan / sulakkeen osalta todella kovilla ja termarin releen osalta mennään yli speksatun oikein huolella. Eli noilla tehoilla tulisi kyllä olla kontaktori välissä, sille ohjaus termarilta ja molempien tilojen lämmitykselle oma suojansa.
Oletko varma noista tehoista? Jos olet, pitää minimissään se korvaava termari olla järeämpi kuin alkuperäinen.
Uutta termaria kytkiessä pitää vaan varmistua siitä että se katkoo vaihetta. Joissain se termari ohjaa nollan puolella olevaa relettä ja se mekaaninen on-off kytkin on vaiheessa... Esim Microtemp MTC3-1991 on näin.
 
Ihan odotetun kaltainen ratkaisu sieltä siis löytyi. Eli mikään ei estä korvaamasta vanhaa uudella aivan samaan tapaan. Ja yhdellä termarilla tosiaan silloin ohjataan.

Mutta tuo 2,1kW otti kyllä pahasti silmään. Oletko aivan varma molemmissa tiloissa olevan noin tehokas kaapeli? Tuossa ollaan jo 16A suojan / sulakkeen osalta todella kovilla ja termarin releen osalta mennään yli speksatun oikein huolella. Eli noilla tehoilla tulisi kyllä olla kontaktori välissä, sille ohjaus termarilta ja molempien tilojen lämmitykselle oma suojansa.
Oletko varma noista tehoista? Jos olet, pitää minimissään se korvaava termari olla järeämpi kuin alkuperäinen.
Kontaktori on keskuksella, se vetää aina kun termari alkaa vaatia lämpöä. Molemmat kaapelit on oman 10A sulakkeen takana, eli 10A riittää. Pakko siellä on lämmitystehoa olla, kun olohuone on 28m² ja keittiö 25m².

En ole tällaiseen ratkaisuun ennen törmännyt, toki kuten sanoin aiemmin, niin ei kunnossapidossa näitä tule vastaan.
 
Onko ajastimen hajoaminen aiheuttanut tuon sulamisen vai tuo 10m jatkojohto? About 4v ollut käytössä auton lohkolämppärin ajastimena autotallissa. IMG_20210206_135316.jpg
 
Juu, jäljistä päätellen itse veikkaisin ainakin huonoa kontaktia kellon ja roikan liitoksessa joka on kuumentanut tuota piikkiä. Jatkojohdon mitalla tuossa tuskin on merkitystä.
 
Maalliko saa asentaa ei-kiinteitä valaisimia. Missä menee raja, onko esim. ruuveilla kattoon kiinnitetty valaisin kiinteä?
Verkkovirtaan asennetut palovaroittimet pitäisi vaihtaa, koska tulee vuodet täyteen. Näitä ei taida maallikko saada vaihtaa?
Sähkäriä on hakala saada tuollaiselle pienelle keikalle, jonka hoitaa 15 min.
Nuo varoittimet kuuluu taloyhtiölle ellet sitten omakotitalossa asu. Lisäksi niitä on semmoisia missä kattoon jää kantaosa ja itse hälytin irtoaa ja on kyllä tarkoitettu ihan kenen tahansa vaihdettavaksi, kun hälyttimessä on sisällä vielä aaa-patterit varmistuksena mitä ei voi edes vaihtaa hälytintä poistamatta. Toki en tiedä minkälaiset sieltä löytyy, mutta ei noiden elinkaaren loppuessa ainakaan mitään sähköasentajaa tarvita jos tämmöinen löytyy katosta KI-10B optinen verkkojännitetoiminen palovaroitin paristovarmennuksella 3xAAA - Kamic Installation Oy
 
Onko ajastimen hajoaminen aiheuttanut tuon sulamisen vai tuo 10m jatkojohto? About 4v ollut käytössä auton lohkolämppärin ajastimena autotallissa. IMG_20210206_135316.jpg
Noita samoja olen nähnyt niin monta käytössä, että uteliaisuudesta kysyn paljonko kuormaa piti olla. Siis oliko vain moottorinlämmitin vai sisäpistokkeessakin tavaraa?
 
Noita samoja olen nähnyt niin monta käytössä, että uteliaisuudesta kysyn paljonko kuormaa piti olla. Siis oliko vain moottorinlämmitin vai sisäpistokkeessakin tavaraa?
Kyseisessä rasiassa on vain auton lohko (säteilylämmitin eli 800-1200w?), ei ole sisähaaraa. Ja johtokin ollut siinä 4v paikallaan, defan johtoa vaan autosta irroitellut, vetoakaan ei pitäisi olla, kun johto on löysästi seinällä hyllyjen alla roikkuen. Isommat laitteet (kompura, sirkkelit yms) on omassa sulakkeessa seinän toisella puolella ns traktoritallissa
 
Kyseisessä rasiassa on vain auton lohko (säteilylämmitin eli 800-1200w?), ei ole sisähaaraa. Ja johtokin ollut siinä 4v paikallaan, defan johtoa vaan autosta irroitellut, vetoakaan ei pitäisi olla, kun johto on löysästi seinällä hyllyjen alla roikkuen. Isommat laitteet (kompura, sirkkelit yms) on omassa sulakkeessa seinän toisella puolella ns traktoritallissa
Tyypillinen tehohan säteilylämmittimessä on vain 300-400 wattia, jos se tosiaan on "säteilylämmitin" eli tällainen öljypohjaan tai lohkoon ulkoisesti kiristettävä möntti. Nestetilan lämmittimet muistaakseni yleensä alkaen noin 500 watista.

Siksi vaan kyselen, että olen vähän huolissani huonojen ajastinten käytöstä ja tuohan on karmaisevaa jälkeä noin pienellä kuormituksella. Jotenkin pystyisin ymmärtämään että huono pistorasia sulaa esimerkiksi parin kilowatin laitteistoa syöttäessä, vaikka sekin on pelottavaa. Olen faijallekin jättänyt puolivahingossa juuri saman näköisen ja näkyi käyttävän sitä autojen esilämmitykseen. Pitänee siis ensi tilassa käydä heittämässä tuo roskiin ja viedä kunnollinen kello tilalle.

Voisin olettaa, että huono ajastin(tai muu pistorasiaa jatkava mölperö) paskoontuu ilman jatkuvaa irrottamistakin tai ehkä jopa paremmin juuri siten, että se vaan roikkuu paikallaan ja hieman nitkuu eestaan kun johtoa liikutellaan. Ennen olen ollut lähinnä huolissani kärkien palamisesta ja laitteen kärähtämisestä tämän takia, mutta että pitää vielä schukon piikin kontaktinkin kärähtää puolentoista ampeerin virroilla. Jessus.

Olisiko jollain tuotesuosituksia?

Tosin tarkemmin ajatellen ja kuvaa katsoen tulee mieleen että ehkä kuumuus on voinut alkaa vaurioituneesta pistotulpan piikistä tai löysästä liitoksesta siinä päässä ja ajastinkello olla aivan syytön tuohon. :hmm:
 
Tyypillinen tehohan säteilylämmittimessä on vain 300-400 wattia, jos se tosiaan on "säteilylämmitin" eli tällainen öljypohjaan tai lohkoon ulkoisesti kiristettävä möntti. Nestetilan lämmittimet muistaakseni yleensä alkaen noin 500 watista.

Tosin tarkemmin ajatellen ja kuvaa katsoen tulee mieleen että ehkä kuumuus on voinut alkaa vaurioituneesta pistotulpan piikistä tai löysästä liitoksesta siinä päässä ja ajastinkello olla aivan syytön tuohon. :hmm:

Jaa säteilylämppärit on noin pieniä. Pitää joskus avata se jatkojohto ja vilkaista sisälle.

Tältä se ajastin näytti kun avasi. IMG_20210206_193110.jpg

Vastaavia ajastimia on kyl kotipuolella aika paljon käytössä valaistusten ajastuksissa ns jouluvaloissa pihalla
 
Jaa säteilylämppärit on noin pieniä. Pitää joskus avata se jatkojohto ja vilkaista sisälle.

Tältä se ajastin näytti kun avasi. IMG_20210206_193110.jpg

Vastaavia ajastimia on kyl kotipuolella aika paljon käytössä valaistusten ajastuksissa ns jouluvaloissa pihalla

Ilmeisesti voi käyttövirheen sulkea pois, jos kerran 4-v paikoillaan, niin sitten joko valmistusvirhe tai ajan saatossa hapettumaa ja lämmennyt sen takia.
Olen ns. tietoisesti saanut sulatettua tarvikejohdon defan päällä ja auton päästä, perässä ollut ~12h/vrk ~2kW:n kuorma. Luulen, että johtui siitä, että suojaläppä hajosi puskurista ja paskaa täynnä.

Joo ei noi säteilylämmittimet yleensä kovin tehokkaita ole, samaa luokkaa kuin perus lohko. Letkulämmittimiä taitaa löytyä jo päälle 2kW:n ja niissä on sitten pumppu mukana. Mulla oli joskus tuota ~500W:n luokkaa oleva defan letkulämmitin.
 
Thebenit on kalliimpia mutta parempia. Täällä ainakin ongelmitta vielä pelannut mokomat autolämmityskäytössä, noiden muovikin tuntuu tukevammalle kun halpojen kellokytkimien "kiinamuovi". Ja joskus noita kiinalaisia on ihan sisäkäytössä hajonnut kun on mennyt ottamaan irti seinästä.

 
Jaa säteilylämppärit on noin pieniä. Pitää joskus avata se jatkojohto ja vilkaista sisälle.

Tältä se ajastin näytti kun avasi. IMG_20210206_193110.jpg
En näe puusilmälläni liuskoissa mitään nokea tai hitsautumista, mutta toisaalta toinen on horo ja väljä. Ja piikissä näkyy toki jälki tuon kontaktin kohdalla mahdollisesti tämän episodin aikana tapahtuneesta kipinöinnistä. Mutta kai alkusyy voisi silti olla pistotulpassakin. :hmm: En kyllä ole mikään tekninen palovakuutustarkastaja, joten arvuutteluni voi olla ihan väärää.
 
Auton lämmitykseen liittyen, onko vaarallista ylikuormittaa automaattisulaketta, jos sulake ei kuitenkaan laukea? Lämmitystolpassa on kahdelle pistorasialle omat Siemensin 5sx21 c6 automaattisulakkeet ja molemmille yhteinen 16A automaattisulake. Tuli tällä viikolla vahingossa huomattua, että se kesti 15 asteen pakkasessa ~2250w kuormaa noin 1,5h laukeamatta, siinä missä se viime talven nollakeleillä laukesi minuuteissa, kun ensimmäistä kertaa auton siihen kytkin. (Enkä tietenkään tarkistanut ensin sulakekokoa...)

Ongelmia luulisi tulevan ainakin, jos viereisen auton omistaja toimisi samoin, mutta oletuksena vain toinen pistorasia käytössä?
 
Auton lämmitykseen liittyen, onko vaarallista ylikuormittaa automaattisulaketta, jos sulake ei kuitenkaan laukea? Lämmitystolpassa on kahdelle pistorasialle omat Siemensin 5sx21 c6 automaattisulakkeet ja molemmille yhteinen 16A automaattisulake. Tuli tällä viikolla vahingossa huomattua, että se kesti 15 asteen pakkasessa ~2250w kuormaa noin 1,5h laukeamatta, siinä missä se viime talven nollakeleillä laukesi minuuteissa, kun ensimmäistä kertaa auton siihen kytkin. (Enkä tietenkään tarkistanut ensin sulakekokoa...)

Ongelmia luulisi tulevan ainakin, jos viereisen auton omistaja toimisi samoin, mutta oletuksena vain toinen pistorasia käytössä?

Ei aiheuta vielä toimenpiteitä, muistaakseni suurin terminen laukaisu noille C-käyrän vehkeille +30'C on ~1.5 x In <1h.
 
Varsinkin kovalla pakkasella sulakkeita/johdonsuojia voi rankaista aika kovaa yli sen nimellisvirran. Syöttökaapelointihan siellä on kovilla, mutta niillä on lähes poikkeuksetta omat sulakkeensa lämpimissä tiloissa, jolloin niistä ei juuri sen kummempaa tehoa voi repiä kuin kesälläkään.

Kontaktori on keskuksella, se vetää aina kun termari alkaa vaatia lämpöä. Molemmat kaapelit on oman 10A sulakkeen takana, eli 10A riittää. Pakko siellä on lämmitystehoa olla, kun olohuone on 28m² ja keittiö 25m².

En ole tällaiseen ratkaisuun ennen törmännyt, toki kuten sanoin aiemmin, niin ei kunnossapidossa näitä tule vastaan.

Tuo on aika tavallinen ratkaisu kun on isoja yhtenäisiä tiloja. Tai oikeastaan se on pikemminkin ainoa ratkaisu. Tosin olen nähnyt myös ratkaisun jossa olkkarin termari ohjasi releellä keittiön termarin tehonrajoituspinniä, uskoisin että siellä on toisessa huoneessa tiheämmin asennettu lämmitysnauha ja siksi päädytty tuollaiseen ratkaisuun... Tai sitten vaan koska.

Periaatteessa jos kyseessä on pelkkä lattiatermari, niitä voi olla useampi vierekkäin, mutta normaali asuinhuoneessa pitäisi olla yhdistelmätermarit, ja jos niitä on kaksi vierekkäin, lattian lämmöt seilaa enemmän tai vähemmän edestakaisin, vaikka huonelämpö ainakin siinä termareiden paikkeilla suunnilleen paikallaan pysyykin.
 
Varsinkin kovalla pakkasella sulakkeita/johdonsuojia voi rankaista aika kovaa yli sen nimellisvirran. Syöttökaapelointihan siellä on kovilla, mutta niillä on lähes poikkeuksetta omat sulakkeensa lämpimissä tiloissa, jolloin niistä ei juuri sen kummempaa tehoa voi repiä kuin kesälläkään.



Tuo on aika tavallinen ratkaisu kun on isoja yhtenäisiä tiloja. Tai oikeastaan se on pikemminkin ainoa ratkaisu. Tosin olen nähnyt myös ratkaisun jossa olkkarin termari ohjasi releellä keittiön termarin tehonrajoituspinniä, uskoisin että siellä on toisessa huoneessa tiheämmin asennettu lämmitysnauha ja siksi päädytty tuollaiseen ratkaisuun... Tai sitten vaan koska.

Periaatteessa jos kyseessä on pelkkä lattiatermari, niitä voi olla useampi vierekkäin, mutta normaali asuinhuoneessa pitäisi olla yhdistelmätermarit, ja jos niitä on kaksi vierekkäin, lattian lämmöt seilaa enemmän tai vähemmän edestakaisin, vaikka huonelämpö ainakin siinä termareiden paikkeilla suunnilleen paikallaan pysyykin.
Ei nämä ihan yhtenäistä tilaa ole (1/3 keittiön seinästä on auki olkkariin), sillä vähän ihmettelenkin, että tuohon olohuoneen "viihdeseinälle" ei ole omaa termaria laitettu. Voihan toki olla, että ei ole haluttu "ylimääräistä" härpäkettä seinälle. Nämä kaksi huonetta on ainoat, jotka lämpeää pelkästään yösähköllä (tai siis toki vaihtokytkin on keskuksella, että saa sammutettua kokonaan tai jatkuvan lämmityksen) onko sitten ollut huomattavan paljon halvempaa toteuttaa tuo ohjaus yhdellä termarilla valintakytkimen jälkeen. Itse olen tosiaan -99 talon valmistuessa taputellut kakkaa hiekkalaatikolla, että tietoa tuon ajan ratkaisuista ei hirveästi ole. :tdown:
 
Morjesta. Naapurin ja meidän välinen betoniseinä läpäisi ääntä sen verran pahasti, että tein metallirangoista,kivivillasta ja kipsilevystä toisen väliseinän. (Tuplabäliseinä siis.

Betoniseinässä on pari sähkörasiaa ja antennirasia. Nyt ne jäävät tuonne seinien väliin. Mikä tässä olisi oikea tapa tuoda ne oikealle tasolle? Betoniseinästä kipsilevyn pintaan on nyt 90mm matkaa. Voiko betoniseinässä olevista rasioista jatkaa johdolla ja laittaa vaikka kipsilevyyn saneerausrasian? Millainen kansi pitäisi laittaa sisään jääviin rasioihin? Vai olisiko parempi korokerenkailla kasvattaa rasia oikealle tasolle?
 
Morjesta. Naapurin ja meidän välinen betoniseinä läpäisi ääntä sen verran pahasti, että tein metallirangoista,kivivillasta ja kipsilevystä toisen väliseinän. (Tuplabäliseinä siis.

Betoniseinässä on pari sähkörasiaa ja antennirasia. Nyt ne jäävät tuonne seinien väliin. Mikä tässä olisi oikea tapa tuoda ne oikealle tasolle? Betoniseinästä kipsilevyn pintaan on nyt 90mm matkaa. Voiko betoniseinässä olevista rasioista jatkaa johdolla ja laittaa vaikka kipsilevyyn saneerausrasian? Millainen kansi pitäisi laittaa sisään jääviin rasioihin? Vai olisiko parempi korokerenkailla kasvattaa rasia oikealle tasolle?
Jos jotenkin vaan mahdollista niin ennemmin korokerenkaalla, jolloin siihen alkuperäiseen rasiaan pääsee vielä käsiksi. Jos johdot ei yltä suoraan, niin niitä voi jatkaa siellä rasian sisällä, kunhan vaan oikarivirrat pysyy kuosissa. Rakenteiden sisään ei saa jättää jakorasioita, eli jos tuo korotus ei ole mahdollista, niin sitten esim vaihtaa alkuperäisen syötön tilalle edellisltä rasialta asti uuden MMJ:n, jolloin se rasia ei siellä seinän sisällä tarvitse mitään kanttakaan.

Taloyhtiön yhteisantenniverkossa siihen antennirasiaan et saa koskea ollenkaan.. Eli ainoa luvallinen keino sen kanssa on jättää siihen huoltoluukku, ja jatkaa siitä antennitöpselistä uudelle rasialle syöttö. Käytännössä, jos siihen rasialle ei tule kuin yksi johto, voit jatkaa sitä asiallisella F-liittimin tehdyllä jatkolla ja siirtää vanhan rasian uuteen purkkiin, mutta kannattaa jättää sinne pääsy jos kaapeli joudutaan joskus uusimaan, tai jos sulla itselläsi on sinkun kanssa ongelmia. Pahin asia minkä voit tehdä on lähteä ronkkimaan ketjun keskellä olevaa rasiaa. Jos menet jatkamaan kumpaakin johtoa ja siirrät sen rasian uuteen paikkaan, menee se ketjun vaimennus pieleen.. karkeasti, vaikka tuon tekisit täysin virheettömästi ammattilaisen työkaluin, signaalin voimakkuus putoaa neljäsosaan alkuperäisestä.. Puuilon osilla, sinkkua on enää kymmenesosa + hirveät heijastukset.
 
Uuden Koti- ja asuminen osion myötä pyritään ohjaamaan kyseiseen aihepiiriin liittyviä sähköasioita sinne omaan ketjuunsa: Kysymyksiä kodin sähköasioista

Näin ettei ole järkeä siirtää tätä yleisketjua täältä toisaalle, koska sähkökysymyksiä voi olla paljon muuhunkin kuin asumiseen ja taloihin liittyen. Jos te tätä ketjua enemmän seuranneet näette että tämä ketju kannattaisi kuitenkin siirtää ennemmin tuonne toiselle osastolle, niin ottakaa kantaa.
 
Jos te tätä ketjua enemmän seuranneet näette että tämä ketju kannattaisi kuitenkin siirtää ennemmin tuonne toiselle osastolle, niin ottakaa kantaa.
Asia kävi mielessä kun huomasin tuon uuden alueen olemassaolon ja näin että LVI-asioiden vastaava yleisketju oli siirretty sinne. Onhan tämä aika samanlainen ja kodinsähköihin painottunut lanka myös. En silti osaa sanoa.
 
Asia kävi mielessä kun huomasin tuon uuden alueen olemassaolon ja näin että LVI-asioiden vastaava yleisketju oli siirretty sinne. Onhan tämä aika samanlainen ja kodinsähköihin painottunut lanka myös. En silti osaa sanoa.
Siihenkin voi ottaa ko. ketjussa kantaa, jos näkee tarpeelliseksi erillisen yleis-LVI-ketjun ja asumiseen liittyen. Äkkiseltään näkisin, että siihen liittyen tarve on pienempi kuin sähköasioihin.
 
Eikö nämä kaikki nyt jollain tavalla ”kotiin” liity? Täällä ei juuri kukaan ole työasioita kysellyt eli käytännössä jonkun teollisuuskiinteistön sähköjä, eikä oikeastaan kuulukaan kysellä koska noissa on vielä vähemmän asiaa räpeltää itse mitään ja jos ammattilaisen pitää täältä ko. hommaan kysellä neuvoja niin on valittu väärä urakoitsija hommaan.

Seuraavan tason kysymys onkin sitten käytännössä kodin pihapiirissä olevan vaikkapa maatilan kuivurin 3-vaihe moottorin kytkentä -> menee jo käytännössä asumisen alle kun kuitenkin se itse kytketään. Sitä seuraava on mökin tai talon ja ”varaston” väliin vedettävä maakaapeli -> ollaan jo asumisen ytimessä. Rempan aikana kaapelin vetoja ja rasian paikkoja josta sitten seuraava taso on melkein nuo pistorasian maadoitukset ja lamppujen kytkennät...

Vaikea siis löytää mitään ei asumista kun kontaktorit, vvsk:t jne on aina kysymyksissä koskenut kotona tai pihapiirissä olevia keskuksia...
 
Seuraavan tason kysymys onkin sitten käytännössä kodin pihapiirissä olevan vaikkapa maatilan kuivurin 3-vaihe moottorin kytkentä -> menee jo käytännössä asumisen alle kun kuitenkin se itse kytketään.
Jep. Vaikka tosin edustamassani kolhoosissa ei ole tapana ranettaa tuotantorakennusten kuten kuivurin sähkötöitä(tietääkseni monella on ja mm. vanhoissa kuivureissa ollut yleistä), niin kyllä niiden sähkövarustelu pitää perustasolla itse tuntea. Eikä se merkittävästi eroa talosähköistä, siis sillä tavalla etteikö talosähköihin keskittynyt sähkäri osaisi systeemiä korjata tai vastailla jos kysyn täällä tyhmiä. Sikäli aika lähellä asumiseen liittyviä sähköhommia mennään, jos kyseessä on maatilan eikä minkään ison mittakaavan tehtaan sähköjutut.

Ei nyt kirjaimellisesti asumista, mutta jotain sellaista, joka voisi talosähköketjua lukevaa kiinnostaa rinnasteisuutensa takia. Samaan tyyliin maakaapelikin tyypilliselle kuivurille on vedetty kuin johonkin autotalliin tai muuhun omakotitalon ulkorakennukseen, se on vain hieman tyypillistä paksumpi. Samanlaista valaistusta kuin kodin pihapiirissä voi olla, lukumääräisesti enemmän vaan purkausvaloa ja loisteputkea kuin kotona nykyään on tapana. Sähkökeskuskin on kuivaamolaitoksen ohjausautomaatiota lukuun ottamatta aika samaa tavaraa kuin asuintalossa voi olla, jne. Ehkä juuri tuosta jälkimmäisestä kysyminen on ainoa äkkiseltään mieleen putkahtava juttu, joka selkeästi menisi kuivuriesimerkissä offtopicin puolelle talosähköjen ketjussa.
 
Meinasitko siis korotusrenkaita laittaa sen 10kpl päällekäin, jotta saat tuon pistorasian uuden koolauksen/levyn korkeudelle, vai mitä minä en tässä ymmärrä?
On niitä tällaisia korkeitakin korokerenkaita olemassa:



Tosin aika harvoin näkee, onkohan kerran tullut vastaan, jossa tuollaisia oli käytetty, mutta joka tapauksessa olemassa on, niin ei tarvitse niitä matalia pinota, jos pitää enemmän korotella.
 
Mitäs mieltä tälläsistä asennuksista uudiskohteessa?

20210213_155537.jpg
Tämä nyt selvästi määräysten vastainen. ML pätkillä otettu jakorasiasta valaisimen liitäntälaitteelle putkettomana sähköt. Kansi puuttuu, rasia kiinnittämättä.

20210213_160540.jpg

Lieden sähköt. MMJ pätkä siirtokannesta, johon heitetty päähän naaras pistotulppa. MMJ ei vissiin puolikiinteässä asennuksessa ole OK?
Onko tuo viritys muutenkaan kovin virallinen?

20210213_150204.jpg
Mites tämä? Jakorasian kanteen porattu reikä, josta otettu valaisimen piuha. Ei mitään vedonpoistoa.
 

Uusimmat viestit

Statistiikka

Viestiketjuista
295 890
Viestejä
5 055 009
Jäsenet
80 996
Uusin jäsen
Anto

Hinta.fi

Back
Ylös Bottom